Home | Mailing List | Specifications | Care and Feeding | Modifications | Vendors | Literature

new 4/05/2004, updated 06/27/2004, updated August 7, 2011
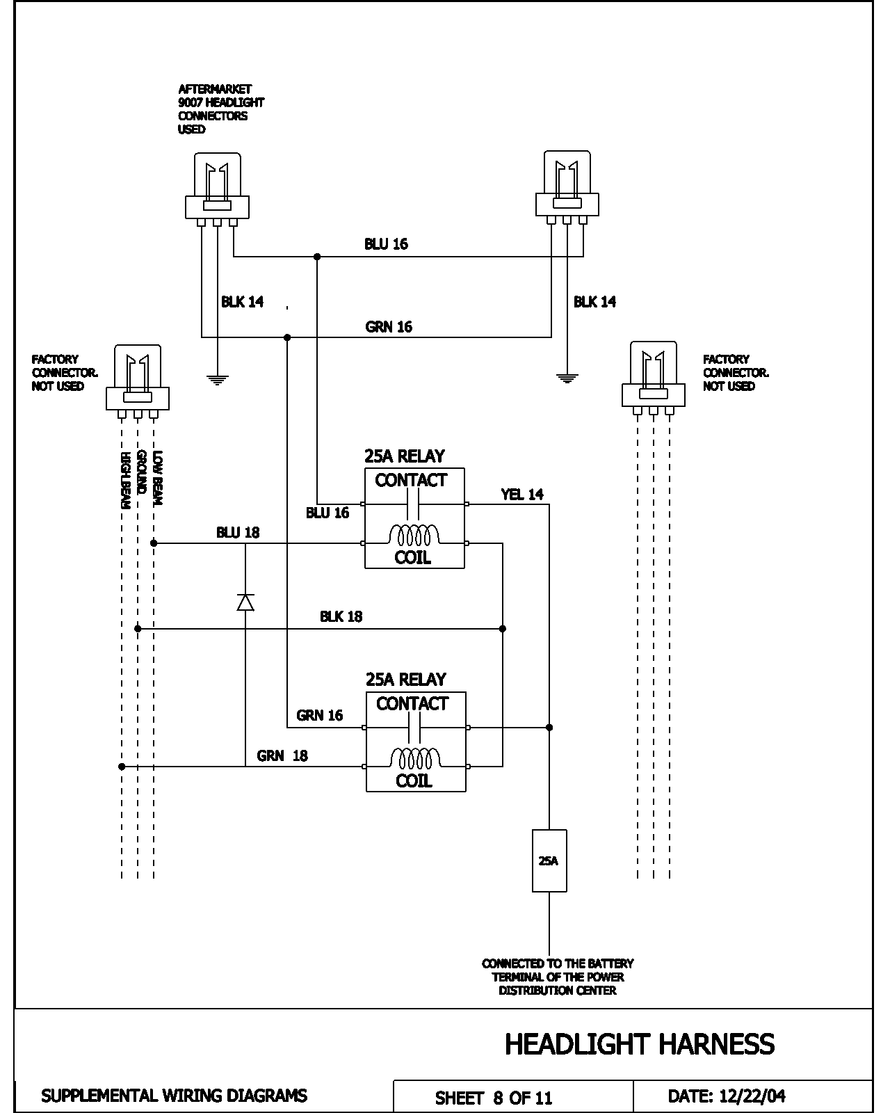
August 7, 2011 - How to build your own Headlight Wiring Harness

__________________________________________________________________________________
Does anyone have any information on how to install the upgrade wiring harness
for the headlights.
Thanks Danny NYC.
You plug your left headlight into the harness male plug. Find a ground on the
left fender for the relays. Use the backmost post on the passenger side of the
engine compartment fuse box of the two relay hot wires. Use the screw under the
headlight and to the inside for the headlight ground. Absolute best headlight
ground would be back to the battery of to one of the major ground points on the
frame where other grounds are located. Plug in headlights.
Paul Nimz
Pretty easy.

Dan Carman
__________________________________________________________________
It should also be noted that you probably will want to re-aim your lights. Ford has a tendency to aim them low.
Here are just a few links to where they may be purchased:
http://store.yahoo.com/dpstore/dp-nv19020.html
http://www.hioutputbulbs.com/har.htm
You can do a google on wiring harnesses to find more. I love mine with the silverstars. Eric has referred to my headlights as just plain obscene. A compliment of the highest order I'm thinkin!!
My front end lighting without the bambi lights in the grill
http://www.venom.org/showhat9/hyper%20white%202.JPG
Warning - big file!!
U.L.
6/27/2004
Here are three pics of the headlights form TCCA. Stock, Silverstar, and
Silverstars and a headlight harness. FWIW
Paul Nimz
STOCK Silver Stars Silver Stars with Harness